Particulier

Zakelijk

Account

0 producten

  • Buizen & kokers
    • RVS
      • RVS geslepen buizen
      • RVS brute buizen
      • RVS 316 brute buizen
      • RVS geslepen kokers
      • RVS brute kokers
      • RVS vierkant massief
      • RVS massief rond
      • RVS schijven rond
    • Staal
      • Ovale buis blank staal
      • Blank stalen kokers
      • Zwart stalen kokers
      • Massief blank staal rond
      • Blank stalen buizen
      • Blank stalen naadloos buizen
      • Stalen zeskant
    • Aluminium
      • Aluminium buizen
      • Aluminium massief rond
      • Aluminium kokers
    • Overig
      • Ral kleur buizen
      • Chromen buizen
      • Steigerbuizen
      • Gegalvaniseerde buizen
  • Profielen & strips
    • RVS Profielen & Strips
      • RVS strips geslepen
      • RVS warm gewalste hoekprofielen
      • RVS brute strips
    • Stalen Profielen & Strips
      • Stalen hoekprofielen warm gewalst
      • Stalen U profielen koud gewalst
      • Stalen strips warm gewalst
      • Stalen strips koud gewalst
      • Stalen T profielen warm gewalst
      • Stalen hoekprofielen koud gewalst ronde hoek
      • Stalen hoekprofielen koud gewalst strakke hoek
    • Aluminium Profielen & Strips
      • Aluminium hoekprofielen
      • Aluminium strips
      • Aluminium U profielen
      • Aluminium T profielen
    • Messing Profielen & Strips
      • Messing hoekprofielen
      • Messing strips
  • Platen
    • RVS Platen
      • RVS geperforeerde platen
      • RVS platen brut
      • RVS platen brut 316
      • RVS platen k320 geborsteld
      • RVS plaatjes
    • Aluminium
      • Aluminium geperforeerde platen
      • Aluminium rijstkorrelplaten
      • Aluminium platen
      • Aluminium traanplaten
    • Zetwerk platen
      • RVS zetwerk - brut RVS
      • RVS zetwerk - geborsteld RVS
      • Aluminium zetwerk
      • Staal zetwerk
      • Zetwerk blauwstaal
      • Zetwerk cortenstaal
      • Zetwerk sendzimir
    • Kunststof Platen
      • Plexiglas platen helder
      • Geschuimde PVC platen wit
    • Overig
      • Staalplaten
      • Sendzimir platen
      • Messing platen
      • Cortenstaal platen
      • Blauwestalen platen
      • Koper platen
      • Stalen geperforeerde platen
      • Kuchschotten
  • Garderobe
    • Garderobestangen
      • RVS garderobestangen
      • Zwarte garderobestangen
      • Bronzen garderobestangen
      • Gouden garderobestangen
      • Witte garderobestangen
      • Chromen garderobestangen
    • Hoekgarderobestangen
      • Zwarte garderobestangen met hoek
      • RVS garderobestangen met hoek
      • Bronzen garderobestangen met hoek
      • Gouden garderobestangen met hoek
      • Witte garderobestangen met hoek
      • Greige garderobestangen met hoek
    • Wandkapstokken
      • Wandkapstok Barcelona
      • Wandkapstok Berlijn
      • Wandkapstok Lissabon
      • Wandkapstok Valencia
      • Wandkapstok Helsinki
    • Kapstokhaken
      • Kapstok haak medium
      • Kapstok haak klein
      • Kapstok haak dubbel
    • Accessoires
      • Flenzen
      • Afstandsteunen
      • Afdekschijven
      • Kledinghangers & garderobehaken
      • Kastroedes
  • Interieur op maat
    • Trapleuningen
      • Zwarte trapleuningen
      • Bronzen trapleuningen
      • Gouden trapleuningen
      • Witte trapleuningen
      • Gun Metal trapleuningen
      • Greige trapleuningen
      • RVS Trapleuningen
      • Leuningdragers
    • Tafelpoten
      • RVS Tafelpoten
      • Zwarte tafelpoten
      • Bronzen tafelpoten
      • Gouden tafelpoten
      • Witte tafelpoten
    • Gordijnroedes
      • Zwarte gordijnroedes
      • Bronzen gordijnroedes
      • Gouden gordijnroedes
      • Witte gordijnroedes
      • RVS gordijnroedes
    • Plantenbakken
      • Plantenbakken cortenstaal
      • Plantenbakken zwart
      • Plantenbakken brons
      • Plantenbakken wit
      • Plantenbakken greige
      • Plantenbakken goud
    • Borders
      • Cortenstalen borders
      • Zwarte borders
      • Bronzen borders
      • Witte borders
      • Greige borders
      • Gouden borders
    • Letters & nummers
      • RVS letters
      • Cortenstaal letters
      • Kunststof letters PVC
      • Kunststof letters acrylaat
      • Huisnummers
    • Stalen deuren
      • Taatsdeuren
      • Schuifdeuren
      • Scharnierdeuren
      • Stalen wanden
    • Overig
      • Kleurstalen
      • RVS schijven
      • Lasbochten RVS
      • Inslagdoppen & eindkappen
      • Aanlaspaumelles
      • Spiraal boren & machinetappen
      • Slijpschijven
      • Buisverbinders & railingsystemen
      • Glasklemmen
  • LIROdesign
    • Interieur
      • Boeksteunen
      • Dienbladen
      • Wandplanken
      • Plankdragers
      • Passpiegel
      • Verlichting
    • Sanitair
      • WC-rolhouders
      • Handdoekenrekken
      • Doucherekken
    • Keukenaccessoires
      • Keukenrolhouders
      • Flessenrekken
      • Handdoekenrekken
    • Meubels & opbergers
      • Bijzettafels
      • Schoenenrekken
Tweedekans

Productcategorieën

Particulier

Zakelijk

Tweedekans
  • Buizen & kokers
    • RVS
      • RVS geslepen buizen
      • RVS brute buizen
      • RVS 316 brute buizen
      • RVS geslepen kokers
      • RVS brute kokers
      • RVS vierkant massief
      • RVS massief rond
      • RVS schijven rond
    • Staal
      • Ovale buis blank staal
      • Blank stalen kokers
      • Zwart stalen kokers
      • Massief blank staal rond
      • Blank stalen buizen
      • Blank stalen naadloos buizen
      • Stalen zeskant
    • Aluminium
      • Aluminium buizen
      • Aluminium massief rond
      • Aluminium kokers
    • Overig
      • Ral kleur buizen
      • Chromen buizen
      • Steigerbuizen
      • Gegalvaniseerde buizen
  • Profielen & strips
    • RVS Profielen & Strips
      • RVS strips geslepen
      • RVS warm gewalste hoekprofielen
      • RVS brute strips
    • Stalen Profielen & Strips
      • Stalen hoekprofielen warm gewalst
      • Stalen U profielen koud gewalst
      • Stalen strips warm gewalst
      • Stalen strips koud gewalst
      • Stalen T profielen warm gewalst
      • Stalen hoekprofielen koud gewalst ronde hoek
      • Stalen hoekprofielen koud gewalst strakke hoek
    • Aluminium Profielen & Strips
      • Aluminium hoekprofielen
      • Aluminium strips
      • Aluminium U profielen
      • Aluminium T profielen
    • Messing Profielen & Strips
      • Messing hoekprofielen
      • Messing strips
  • Platen
    • RVS Platen
      • RVS geperforeerde platen
      • RVS platen brut
      • RVS platen brut 316
      • RVS platen k320 geborsteld
      • RVS plaatjes
    • Aluminium
      • Aluminium geperforeerde platen
      • Aluminium rijstkorrelplaten
      • Aluminium platen
      • Aluminium traanplaten
    • Zetwerk platen
      • RVS zetwerk - brut RVS
      • RVS zetwerk - geborsteld RVS
      • Aluminium zetwerk
      • Staal zetwerk
      • Zetwerk blauwstaal
      • Zetwerk cortenstaal
      • Zetwerk sendzimir
    • Kunststof Platen
      • Plexiglas platen helder
      • Geschuimde PVC platen wit
    • Overig
      • Staalplaten
      • Sendzimir platen
      • Messing platen
      • Cortenstaal platen
      • Blauwestalen platen
      • Koper platen
      • Stalen geperforeerde platen
      • Kuchschotten
  • Garderobe
    • Garderobestangen
      • RVS garderobestangen
      • Zwarte garderobestangen
      • Bronzen garderobestangen
      • Gouden garderobestangen
      • Witte garderobestangen
      • Chromen garderobestangen
    • Hoekgarderobestangen
      • Zwarte garderobestangen met hoek
      • RVS garderobestangen met hoek
      • Bronzen garderobestangen met hoek
      • Gouden garderobestangen met hoek
      • Witte garderobestangen met hoek
      • Greige garderobestangen met hoek
    • Wandkapstokken
      • Wandkapstok Barcelona
      • Wandkapstok Berlijn
      • Wandkapstok Lissabon
      • Wandkapstok Valencia
      • Wandkapstok Helsinki
    • Kapstokhaken
      • Kapstok haak medium
      • Kapstok haak klein
      • Kapstok haak dubbel
    • Accessoires
      • Flenzen
      • Afstandsteunen
      • Afdekschijven
      • Kledinghangers & garderobehaken
      • Kastroedes
  • Interieur op maat
    • Trapleuningen
      • Zwarte trapleuningen
      • Bronzen trapleuningen
      • Gouden trapleuningen
      • Witte trapleuningen
      • Gun Metal trapleuningen
      • Greige trapleuningen
      • RVS Trapleuningen
      • Leuningdragers
    • Tafelpoten
      • RVS Tafelpoten
      • Zwarte tafelpoten
      • Bronzen tafelpoten
      • Gouden tafelpoten
      • Witte tafelpoten
    • Gordijnroedes
      • Zwarte gordijnroedes
      • Bronzen gordijnroedes
      • Gouden gordijnroedes
      • Witte gordijnroedes
      • RVS gordijnroedes
    • Plantenbakken
      • Plantenbakken cortenstaal
      • Plantenbakken zwart
      • Plantenbakken brons
      • Plantenbakken wit
      • Plantenbakken greige
      • Plantenbakken goud
    • Borders
      • Cortenstalen borders
      • Zwarte borders
      • Bronzen borders
      • Witte borders
      • Greige borders
      • Gouden borders
    • Letters & nummers
      • RVS letters
      • Cortenstaal letters
      • Kunststof letters PVC
      • Kunststof letters acrylaat
      • Huisnummers
    • Stalen deuren
      • Taatsdeuren
      • Schuifdeuren
      • Scharnierdeuren
      • Stalen wanden
    • Overig
      • Kleurstalen
      • RVS schijven
      • Lasbochten RVS
      • Inslagdoppen & eindkappen
      • Aanlaspaumelles
      • Spiraal boren & machinetappen
      • Slijpschijven
      • Buisverbinders & railingsystemen
      • Glasklemmen
  • LIROdesign
    • Interieur
      • Boeksteunen
      • Dienbladen
      • Wandplanken
      • Plankdragers
      • Passpiegel
      • Verlichting
    • Sanitair
      • WC-rolhouders
      • Handdoekenrekken
      • Doucherekken
    • Keukenaccessoires
      • Keukenrolhouders
      • Flessenrekken
      • Handdoekenrekken
    • Meubels & opbergers
      • Bijzettafels
      • Schoenenrekken
  • Home
  • Interieur op maat
  • Trapleuningen
  • Gun Metal trapleuningen
  • Rechthoekige trapleuning gun metal - 40x20
Rechthoekige trapleuning gun metal - 40x20
Rechthoekige trapleuning gun metal - 40x20
Rechthoekige trapleuning gun metal - 40x20
Rechthoekige trapleuning gun metal - 40x20
Rechthoekige trapleuning gun metal - 40x20
Rechthoekige trapleuning gun metal - 40x20
Resetten
Ontgrendel 3D controls!
0%
Rechthoekige trapleuning gun metal - 40x20
Rechthoekige trapleuning gun metal - 40x20
Rechthoekige trapleuning gun metal - 40x20
Rechthoekige trapleuning gun metal - 40x20
Rechthoekige trapleuning gun metal - 40x20
Rechthoekige trapleuning gun metal - 40x20

Rechthoekige trapleuning gun metal - 40x20

Vanaf € 69,95 per meter, prijzen zijn inclusief BTW

Vanaf € 57,81 per meter, prijs exclusief BTW

Beschrijving

Geef je trappengat een stijlvolle, moderne uitstraling met een op maat gemaakte trapleuning van Metaalshopper! Rond, vierkant of rechthoekig? In RVS? Of in zwart, brons, goud of wit gecoat? Kies de trapleuning die bij jouw interieur past! 

Bij ons stelt u eenvoudig uw op maat gemaakte trapleuning samen. U kunt de exacte afmetingen tot op de millimeter doorgeven, en wij zorgen ervoor dat het juiste aantal leuningdragers aan de leuning wordt gemonteerd.

Let op: vanwege variërende muurcondities leveren wij geen bevestigingsmateriaal voor de montage van de leuningdragers aan de wand.

Gegarandeerde kwaliteit

De trapleuning van RVS heeft een K320 geslepen afwerking. Dit houdt in dat het RVS geborsteld is afgewerkt in één richting. Je kunt dit zien aan de mooi egale, streperige structuur. K320 geslepen RVS is zeer hoogwaardige kwaliteit.

Ook bij de gecoate trapleuningen kunnen wij altijd 100% kwaliteit garanderen doordat wij deze laten coaten. Poedercoaten is namelijk een zeer duurzaam proces.

Specificaties 

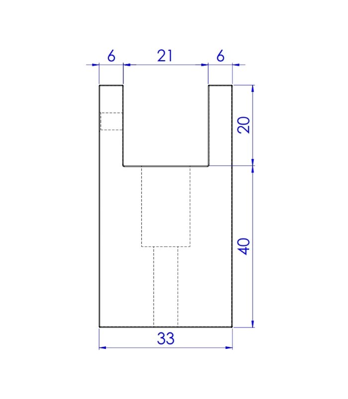
Afmeting: Rechthoekig 40x20 mm

  • Wanddikte: 2
  • Materiaalsoort: blank staal
  • Afwerking: gecoat
  • Lengte: 250 mm tot 3500 mm
  • Afstand leuningdrager: 100 mm vanaf uiteinde tot hart leuningdrager
  • Kleur: gun metal
  • Let op: er zitten twee kleine lekgaten aan de onderkant van de leuning i.v.m. poedercoaten.

Lees meer Toon minder

Leverinformatie

Vandaag besteld, uiterlijk {date} verzonden

Vorm

Kleuren

Afmetingen

lengte
mm
Min: 250 mm - Max: 3950 mm
 
cm
 

Afwerking

Afwerking

Naadloos dichtgelast
Naadloos dichtgelast  |  € 30,00
Naadloos dichtgelast
Naadloos dichtgelast  |  € 30,00
Naadloos dichtgelast
Naadloos dichtgelast  |  € 30,00

Selecteer Afwerking

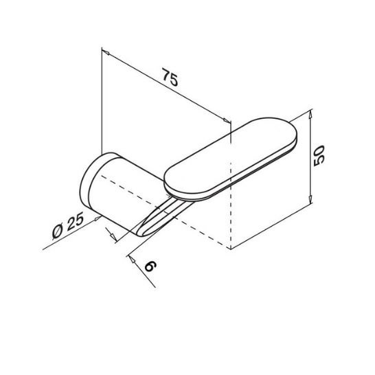
Leuningdragers

Leuningdragers

Leuningdrager voor vlakke handleuning (x2)
Leuningdrager voor vlakke handleuning (x2)  |  € 42,95
Leuningdrager voor vlakke handleuning (x3)
Leuningdrager voor vlakke handleuning (x3)  |  € 64,95
Leuningdrager voor vlakke handleuning (x4)
Leuningdrager voor vlakke handleuning (x4)  |  € 85,95
Rechthoekige leuningdrager voor vlakke handleuning (blind) (x2)
Rechthoekige leuningdrager voor vlakke handleuning (blind) (x2)  |  € 59,95
Rechthoekige leuningdrager voor vlakke handleuning (blind) (x3)
Rechthoekige leuningdrager voor vlakke handleuning (blind) (x3)  |  € 89,95
Rechthoekige leuningdrager voor vlakke handleuning (blind) (x4)
Rechthoekige leuningdrager voor vlakke handleuning (blind) (x4)  |  € 119,95
Schuine leuningdrager voor vlakke handleuning (blind) (x2)
Schuine leuningdrager voor vlakke handleuning (blind) (x2)  |  € 49,95
Schuine leuningdrager voor vlakke handleuning (blind) (x3)
Schuine leuningdrager voor vlakke handleuning (blind) (x3)  |  € 73,95
Schuine leuningdrager voor vlakke handleuning (blind) (x4)
Schuine leuningdrager voor vlakke handleuning (blind) (x4)  |  € 98,95
Leuningdrager rechthoekig voor 40x20 trapleuning (x2)
Leuningdrager rechthoekig voor 40x20 trapleuning (x2)  |  € 59,95
Leuningdrager rechthoekig voor 40x20 trapleuning (x3)
Leuningdrager rechthoekig voor 40x20 trapleuning (x3)  |  € 89,95
Leuningdrager rechthoekig voor 40x20 trapleuning (x4)
Leuningdrager rechthoekig voor 40x20 trapleuning (x4)  |  € 119,95

Selecteer Leuningdragers

Aantal

Aantal
Per product
Totaal

Additional Price

EUR 69.95 08-12-2025 - 01:24

Totaalprijs

Loading

Voeg toe aan winkelwagen
5647 5647 5647 Rechthoekige trapleuning gun metal - 40x20 Geef je trappengat een stijlvolle, moderne uitstraling met een op maat gemaakte trapleuning van Metaalshopper! Rond, vierkant of rechthoekig? In RVS? Of in zwart, brons, goud of wit gecoat? Kies de trapleuning die bij jouw interieur past! Bij ons stelt u eenvoudig uw op maat gemaakte trapleuning samen. U kunt de exacte afmetingen tot op de millimeter doorgeven, en wij zorgen ervoor dat het juiste aantal leuningdragers aan de leuning wordt gemonteerd. Let op: vanwege variërende muurcondities leveren wij geen bevestigingsmateriaal voor de montage van de leuningdragers aan de wand. Gegarandeerde kwaliteit De trapleuning van RVS heeft een K320 geslepen afwerking. Dit houdt in dat het RVS geborsteld is afgewerkt in één richting. Je kunt dit zien aan de mooi egale, streperige structuur. K320 geslepen RVS is zeer hoogwaardige kwaliteit. Ook bij de gecoate trapleuningen kunnen wij altijd 100% kwaliteit garanderen doordat wij deze laten coaten. Poedercoaten is namelijk een zeer duurzaam proces. Specificaties Afmeting: Rechthoekig 40x20 mm Wanddikte: 2 Materiaalsoort: blank staal Afwerking: gecoat Lengte: 250 mm tot 3500 mm Afstand leuningdrager: 100 mm vanaf uiteinde tot hart leuningdrager Kleur: gun metal Let op: er zitten twee kleine lekgaten aan de onderkant van de leuning i.v.m. poedercoaten. 5 5 0 1 Gast Gast 26-08-2024 - 05:47 1 5 5 Gast Bericht

Anderen bekeken ook

product img
Configureer in 3D

Ovale trapleuning gun metal - 48x20

€ 69,95 per meter
product img
Configureer in 3D

Rechthoekige trapleuning gun metal - 40x10

€ 67,95 per meter
product img
Configureer in 3D

Ronde trapleuning gun metal - Ø42,4 mm

€ 70,95 per meter
product img
Configureer in 3D

Vierkant trapleuning gun metal - 40x40

€ 67,95 per meter

Terug naar boven

Klantenservice
  • Klantenservice
  • Retourneren
  • Verzendinformatie
  • Algemene voorwaarden
  • Privacy Policy
Over Metaalshopper
  • Blogs
  • Over ons
  • FAQ
  • Contact
  • B2B samenwerkingen
  • Tweedekans
Contact & service
info@metaalshopper.nl
Metaalshopper BV
Dillenburgstraat 41, 5652 AM
Eindhoven
trusted shop
Keurmerk met kopersbescherming
© Copyrights reserved 2024
We run on oneCORE
Login

Welkom bij Metaalshopper. Meld je aan of registreer.

Of

3DControlsUnlocked

3DControlsLocked

Het volgende is toegevoegd aan je winkelwagen

Verder winkelen
Ik ga bestellen
Min Max Voeg toe Toegevoegd Gratis Uitverkocht> Op voorraad.> Vandaag besteld, {ExpectedDeliveryDate} verzonden> Vandaag besteld, uiterlijk {ExpectedDeliveryDate} verzonden> volgende werkdag> Verwachte leverdatum {ExpectedDeliveryDate}> Configureer in 3D Voeg toe aan winkelwagen Invalid email format. (e.g., example@domain.com) Thank you for subscribing! Black Friday korting Staffelkorting per stuk per stuk per m² per meter